INA 81107-TV

0002403030000

35mm x 52mm x 12mm

45.36 € (vat. excl.)
50+ pcs. with 1 to 3 days delivery to France

Specifications

Width 12mm
Inner Diameter 35mm
Outer Diameter 52mm
Weight 74g

Dimensions

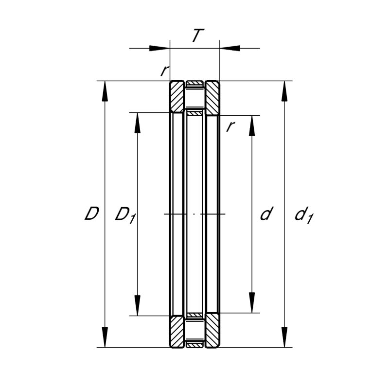
Rip diameter shaft washer d1 52 mm
Minimum chamfer dimension rmin 0.60 mm

Mounting dimensions

Maximum recess radius ra max 0.60 mm
Minimum diameter shaft shoulder da min 51 mm
Maximum diameter of housing shoulder Da max 36 mm

Main Dimensions & Performance Data

Reference speed nϑr 2,600
Fatigue load limit, axial Cua 9,600
Basic dynamic load rating, axial Ca 39,000
Outside diameter D 52 mm
Limiting speed nG 6,600
Basic static load rating, axial C0a 101,000
Height T 12 mm
Bore diameter d 35 mm
45.36 € (vat. excl.)
Stock 50+ pcs.
Part number 81107-TV
Manufacturer INA
Quantity Unit Price
1+ 45.36 €
  • Open Registration
    Create your account instantly
  • Support 24/7
    Ask us anytime
  • 100% Safety
    Only secure payments: bank transfer, credit card and PayPal
  • Volume Discounts
    Optimize your supplies